破碎設備 采煤設備 磨礦設備 篩分設備 脫水設備 浮選設備 分級設備 重選設備 磁選設備 過濾設備 干燥設備 給料設備 除塵設備 濃縮設備 輸送設備 提升貯運設備 礦用鉆機及配件 礦山機械設備配件
|
|
|||||||||||||||||||
概述: QP(CQP) 系列氣動鉗盤制動器主要用于起重、運輸、冶金、礦山、港口、建筑等機械中各種機構的制動和減速。
使用條件:環境溫度: -5℃-40℃ 工作氣壓: QP系列為5-7bar; CQP 系列為≦7bar。 戶外雨雪侵蝕或有腐蝕性氣體和介質應采用防腐型產品。 空氣源不應有油、水和其他雜質。
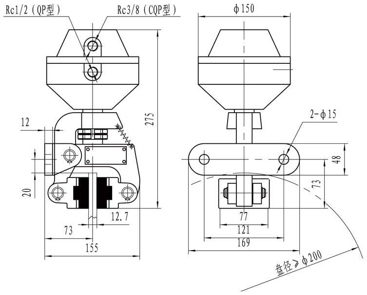
主要特點:QP 系列為彈簧制動,氣動釋放; CQP 系列為氣壓制動,彈簧釋放。 整體結構簡單,體積小,重量輕。 無石棉制動襯墊,綠色環保。 制動襯墊安裝采用壓簧卡裝式,更換方便快捷。 制動襯墊磨損后調整方便簡單。 QP 系列每種規格制動器的一種盤徑可進行四級制動力矩調整。 所有動力源無需單獨設置,可與已有的空壓站并網使用,在供氣線路中加裝調速閥,制動時間可實現無級調整。
注: 1 、可生產不同盤厚、不同安裝尺寸的氣動鉗盤制動器。 2 、具體型號、結構外形尺寸保留更改的權利。

例如:1、選用QP12.7型、A型氣包、彈簧為6根、氣包左式安裝,其訂貨標記為QP12.7-A-6左;
2、選用QPL12.7A型、B型氣包、帶機械式松閘顯示,氣包右式安裝,其訂貨標記為QPL12.7A-B-E1右。

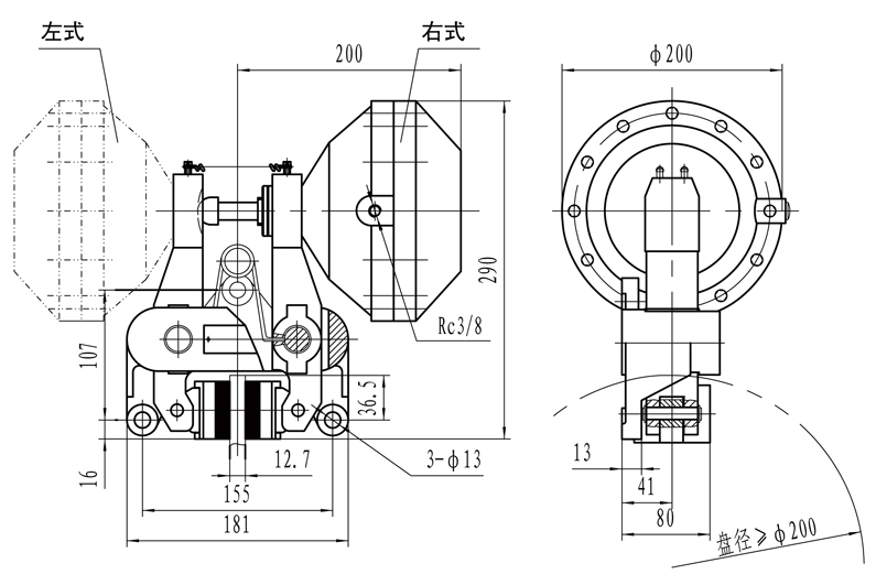
QP12.7型
|
型號 |
額定制動力(N) (八根彈簧) |
制動盤有效半徑(m) |
額定制動力矩(Nm) |
工作氣體容量(cm3) |
總氣體容量(cm3) |
重量(kg) |
|
QP12.7-A |
6400 |
制動盤半徑-0 . 03 |
額定制動力X有效半徑 |
273 |
553 |
24 |
|
QP12.7-B |
4800 |
140 |
293 |
20 |
CQP12.7型
|
型號 |
額定制動力(N) |
制動盤有效半徑(m) |
額定制動力矩(Nm) |
工作氣體容量(cm3) |
總氣體容量(cm3) |
重量(kg) |
|
CQP12.7-A |
1788X工作氣壓 |
制動盤半徑-0 . 03 |
額定制動力X有效半徑 |
273 |
553 |
23 |
|
CQP12.7-B |
1055X工作氣壓 |
140 |
293 |
19 |
氣包帶自動補償機構,制動襯墊磨損后無需人工調整,方便省時。

|
型號 |
額定制動力(N) (八根彈簧) |
制動盤有效半徑(m) |
額定制動力矩(Nm) |
工作氣體容量(cm3) |
總氣體容量(cm3) |
重量(kg) |
|
QP12.7-C |
6400 |
制動盤半徑-0 . 03 |
額定制動力X有效半徑 |
273 |
553 |
25 |

QPL12.7A型
|
型號 |
額定制動力(N)(八根彈簧) |
制動盤有效半徑(m) |
額定制動力矩(Nm) |
工作氣體容量(cm3) |
總氣體容量(cm3) |
重量(kg) |
|
QPL12.7A-A |
6400 |
制動盤半徑-0.03 |
額定制動力X有效半徑 |
273 |
553 |
24 |
|
QPL12.7A-B |
4800 |
140 |
293 |
20 |
CQPL12.7A型
|
型號 |
額定制動力(N) |
制動盤有效半徑(m) |
額定制動力矩(Nm) |
工作氣體容量(cm3) |
總氣體容量(cm3) |
重量(kg) |
|
CQPL12.7A-A |
1788X工作氣壓 |
制動盤半徑-0.03 |
額定制動力X有效半徑 |
273 |
553 |
23 |
|
CQPL12.7A-B |
1055X工作氣壓 |
140 |
293 |
19 |

QPL12.7-B型
|
型號 |
額定制動力(N)(八根彈簧) |
制動盤有效半徑(m) |
額定制動力矩(Nm) |
工作氣體容量(cm3) |
總氣體容量(cm3) |
重量(kg) |
|
QPL12.7-B |
2100 |
制動盤半徑-0.03 |
額定制動力X有效半徑 |
140 |
293 |
11 |
CQPL 12.7-B型
|
型號 |
額定制動力(N) |
制動盤有效半徑(m) |
額定制動力矩(Nm) |
工作氣體容量(cm3) |
總氣體容量(cm3) |
重量(kg) |
|
CQPL12.7-B |
416X工作氣壓 |
制動盤半徑-0.03 |
額定制動力X有效半徑 |
140 |
293 |
10 |

QP30 ( 25.4 )型
|
型號 |
E |
額定制動力(N) (12根彈簧) |
制動盤有效半徑(m) |
額定制動力矩(Nm) |
工作氣體容量(cm3) |
總氣體容量(cm3) |
重量(kg) |
|
QP30-D |
30 |
32800 |
制動盤半徑-0. 065 |
額定制動力X有效半徑 |
1400 |
3000 |
70 |
|
QP25.4-D |
25.4 |
CQP30 (25.4) 型
|
型號 |
E |
額定制動力(N) (12根彈簧) |
制動盤有效半徑(m) |
額定制動力矩(Nm) |
工作氣體容量(cm3) |
總氣體容量(cm3) |
重量(kg) |
|
CQP30-D |
30 |
6097X工作氣壓 |
制動盤半徑-0. 065 |
額定制動力X有效半徑 |
1400 |
3000 |
68 |
|
CQP25.4-D |
25.4 |

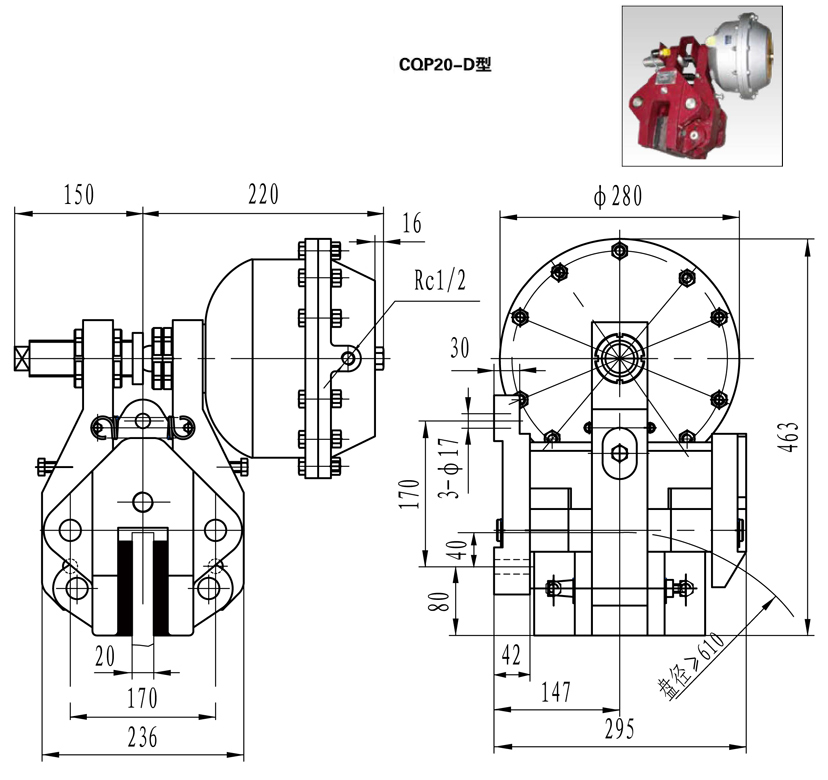
CQP20-D型
|
型號 |
額定制動力(N) |
制動盤有效半徑(m) |
額定制動力矩(Nm) |
工作氣體容量(cm3) |
總氣體容量(cm3) |
重量(kg) |
|
CQP20-D |
6097X工作氣壓 |
制動盤半徑-0. 065 |
額定制動力X有效半徑 |
1400 |
3000 |
68 |
僅需1分鐘,輕松獲報價
留言后將以郵件、短信等方式通知工作人員,3分鐘內將電話與您聯系,請保持電話暢通
小不過我們的服務細致入微
大不抵我們的服務面面俱到
真誠服務贏得萬千信任
您可能感興趣的產品
免責聲明:所展示的信息由會員自行提供,內容的真實性、準確性和合法性由發布會員負責,全球起重機械網對此不承擔任何責任。全球起重機械網不涉及用戶間因交易而產生的法律關系及法律糾紛,糾紛由您自行協商解決。
侵權投訴電話:0371-63739697,接到來電后我們會第一時間查清事實并處理,在您的合法權益收到侵害時,我們將竭誠為您服務,感謝您對全球起重機械風的關注與支持!

官方公眾號
運營單位:河南九通科技有限公司 公司地址:河南省鄭州市經三路鑫苑金融廣場銀座7樓
廣告投放/會員辦理:18237318012 客服熱線:18237318012
全球起重機械網(1999-) 版權所有 本站網絡實名:全球起重機械網 備案號:豫ICP備10205603號-7 公安備案號:41910502000059
手機版|
關注公眾號|

掃碼手機店鋪