圓錐破碎機的機器組成
液壓體系
該機具有用液壓體系來調整破碎機排礦口的大小,液壓體系可有用地保證設備的安全工作。在破碎腔中有異物時,液壓體系可使動錐體主動下退,當異物排出后,該體系使下退的動錐體主動復位。
破碎腔型
破碎腔型是指動錐與固定錐之間形成的幾何空間。破碎腔的形狀對整機的功能影響很大。破碎機腔型是破碎的主要技術指標。該機從粗碎到細碎規劃了四種規格的腔型,它有六種或許的組合,這意味著它能最好地適用于用戶特殊要求;
密封牢靠
選用迷宮式密封設備,取代了以往使用的水式密封,使塵埃雜質無法進人機體內,從而保證了潤清油的清潔,延長了滑動軸承、推力球軸承的使用壽命,使得機器工作牢靠;
結構特點
1、更高的產能,更好的質量。
2、因為有保險設備,大大減小了停機時間。
3、機體為鑄鋼結構,在重載部位設置有加強筋。
4、含調整器,可快速調整破碎出料粒度的大小。
5、供給彈簧式維護設備。
6、具有完好的光滑體系,當有溫過高或有流速過慢時將主動關閉。
7、內部結構密封功能好,可有用的維護設備免受粉塵及其他小顆粒的侵害。
8、使用壽命較長適用性強。
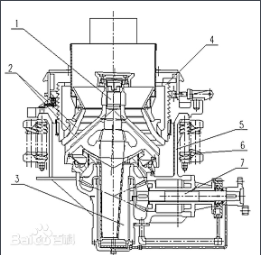
組成

圖1圓錐破碎機結構簡圖
如圖1所示,圓錐破碎機主要由機架、傳動軸、偏疼套、球面軸承、破碎圓錐、調整設備、調整套、彈簧以及下料口等部分組成。
(1)破碎機主機架總成:破碎機主機架由上架體和下架體組成,兩者經過液壓缸銜接,內有耐磨襯板和維護罩:上架體是焊接件,其上口焊有耐磨銅板,下架體是全體鑄鋼件。
(2)主軸總成:主軸與主機架的下架體中心輪毅選用錐面小過盈合作設備,主軸開有軸向和徑向光滑油孔。
(3)偏疼軸套總成:偏疼軸套其內部設備有選用螺釘固定的高鉛青銅襯套;下部經過螺栓設備有大錐齒輪和止推軸承,其中上止推軸承為鍛鋼件,下止推軸承為高鉛青銅件;別的,在偏疼軸套上還裝有使用螺栓固定的配重組件,其內部灌鉛并設備了耐磨維護襯板。
(4)動錐體總成:動錐上部選用螺栓銜接固定有給料板組件,下部設備有球面軸瓦,能夠與設備在套筒內的球面鋼瓦相合作;動錐外部設備有高錳鋼制成的動錐襯板,動錐體與其襯板之間的空地充灌有環氧樹脂;動錐內部設備有上下高鉛青銅襯套。
(5)定錐體總成:定錐上部設備的是給料料斗;內部設備有選用大直徑螺栓固定的高錳鋼耐磨襯板,定錐體與其襯板間同樣充灌有環氧樹脂;定錐外部是與調整環合作的梯形螺紋。
(6)調整環:調整環是組件,由調整環、夾緊環、凸輪隨動件和液壓馬達等組成;夾緊環內有梯形螺紋,可與定錐相連;調整環上部裝有主機架固定銷和導向桿,以防止調整環在主機架內旋轉。
(7)機組光滑設備:由光滑油箱、電機油泵、過濾設備、冷卻設備和操控設備組成。例如煙臺鑫海礦機的圓錐破碎機選用干油或許水兩種密封方式,使塵埃雜質無法進人機體內,保證了潤清油的清潔。
(8)水平傳動軸總成:一臺大功率主驅動電機,經過三角帶輪傳動設備使水平軸上的小錐齒輪驅動大錐齒輪及偏疼軸套:水平軸的箱體為全體鑄鐵件,用螺栓固定到主機架上。
(9)液壓夾架和過鐵開釋設備:經過雙作用液壓缸使得調理環上部各組件與破碎機主機架相連。
(10)調理機構總成:用液壓馬達驅動小齒輪,小齒輪驅動調理帽上的大齒圈,從而驅動定錐轉動,來達到調理定錐襯板與動錐襯板之間空隙的目的。
(11)液壓操控站:操控站包括帶有油表的油箱、電機油泵、過濾設備、蓄能設備、操控設備、壓力開關、安全維護設備等;在破碎機旁還裝有端子箱和按鈕操控柜。
注意事項
1、給料粒度配比恰當
2、主動操控設備;
3、破碎機排料去通
4、針對所破碎的物料正確的挑選破碎腔
5、在破碎腔360°范圍內給料散布均勻
6、輸送帶的規格與破碎機的最大出力能力相適應;
7、恰當的挑選預先篩分和閉路篩分的篩子規格。
替換方便
以往破碎機替換破碎壁十分慢,圓錐破碎機新結構替換破碎壁十分快。因為上破碎壁上裝有卡梢,用螺栓頂起就把破碎壁固定.下破碎壁固定是用液壓螺母緊固.上、下破碎壁反面不需要加任何填充材料,所以替換快速方面,減少了工人勞動強度;
調理開口
該機選用了耐高壓的位移傳感器,調整排礦口方位時是在操作室進行的。只需一按鍵,在操作臺上就有顯示,就能夠看到所需要調整的排礦口大小,十分方便準確。
該機工作時,電機經過液力偶合器、小圓錐齒輪驅動偏疼套底部的大圓錐齒輪,使偏疼套旋轉,致使錐體作旋擺動而破碎物料。破碎機的主軸是不動的,只是支撣球面瓦,承受破碎力。因為破碎機主軸不動而偏疼套傳遞破碎力,故該結構可承受較大破碎力,對細碎和超細破碎十分適應,因為超細破碎的破碎力是十分大的。估計其產品粒度(關于超細碎型襯板)開路時一5m二可達50^80%(視物料性質而有所差異)。該破碎機適用于金屬礦山選礦廠第三段破碎,或第四段破碎;適用于建材或非金屬礦山及土木工程。特別是土木工程所需的天然砂供給缺乏的區域。
液壓體系
該機具有用液壓體系來調整破碎機排礦口的大小,液壓體系可有用地保證設備的安全工作。在破碎腔中有異物時,液壓體系可使動錐體主動下退,當異物排出后,該體系使下退的動錐體主動復位。
破碎腔型
破碎腔型是指動錐與固定錐之間形成的幾何空間。破碎腔的形狀對整機的功能影響很大。破碎機腔型是破碎的主要技術指標。該機從粗碎到細碎規劃了四種規格的腔型,它有六種或許的組合,這意味著它能最好地適用于用戶特殊要求;
密封牢靠
選用迷宮式密封設備,取代了以往使用的水式密封,使塵埃雜質無法進人機體內,從而保證了潤清油的清潔,延長了滑動軸承、推力球軸承的使用壽命,使得機器工作牢靠;
結構特點

圓錐破碎機結構圖
1、更高的產能,更好的質量。
2、因為有保險設備,大大減小了停機時間。
3、機體為鑄鋼結構,在重載部位設置有加強筋。
4、含調整器,可快速調整破碎出料粒度的大小。
5、供給彈簧式維護設備。
6、具有完好的光滑體系,當有溫過高或有流速過慢時將主動關閉。
7、內部結構密封功能好,可有用的維護設備免受粉塵及其他小顆粒的侵害。
8、使用壽命較長適用性強。
組成

圖1圓錐破碎機結構簡圖
(1)破碎機主機架總成:破碎機主機架由上架體和下架體組成,兩者經過液壓缸銜接,內有耐磨襯板和維護罩:上架體是焊接件,其上口焊有耐磨銅板,下架體是全體鑄鋼件。
(2)主軸總成:主軸與主機架的下架體中心輪毅選用錐面小過盈合作設備,主軸開有軸向和徑向光滑油孔。
(3)偏疼軸套總成:偏疼軸套其內部設備有選用螺釘固定的高鉛青銅襯套;下部經過螺栓設備有大錐齒輪和止推軸承,其中上止推軸承為鍛鋼件,下止推軸承為高鉛青銅件;別的,在偏疼軸套上還裝有使用螺栓固定的配重組件,其內部灌鉛并設備了耐磨維護襯板。
(4)動錐體總成:動錐上部選用螺栓銜接固定有給料板組件,下部設備有球面軸瓦,能夠與設備在套筒內的球面鋼瓦相合作;動錐外部設備有高錳鋼制成的動錐襯板,動錐體與其襯板之間的空地充灌有環氧樹脂;動錐內部設備有上下高鉛青銅襯套。
(5)定錐體總成:定錐上部設備的是給料料斗;內部設備有選用大直徑螺栓固定的高錳鋼耐磨襯板,定錐體與其襯板間同樣充灌有環氧樹脂;定錐外部是與調整環合作的梯形螺紋。
(6)調整環:調整環是組件,由調整環、夾緊環、凸輪隨動件和液壓馬達等組成;夾緊環內有梯形螺紋,可與定錐相連;調整環上部裝有主機架固定銷和導向桿,以防止調整環在主機架內旋轉。
(7)機組光滑設備:由光滑油箱、電機油泵、過濾設備、冷卻設備和操控設備組成。例如煙臺鑫海礦機的圓錐破碎機選用干油或許水兩種密封方式,使塵埃雜質無法進人機體內,保證了潤清油的清潔。
(8)水平傳動軸總成:一臺大功率主驅動電機,經過三角帶輪傳動設備使水平軸上的小錐齒輪驅動大錐齒輪及偏疼軸套:水平軸的箱體為全體鑄鐵件,用螺栓固定到主機架上。
(9)液壓夾架和過鐵開釋設備:經過雙作用液壓缸使得調理環上部各組件與破碎機主機架相連。
(10)調理機構總成:用液壓馬達驅動小齒輪,小齒輪驅動調理帽上的大齒圈,從而驅動定錐轉動,來達到調理定錐襯板與動錐襯板之間空隙的目的。
(11)液壓操控站:操控站包括帶有油表的油箱、電機油泵、過濾設備、蓄能設備、操控設備、壓力開關、安全維護設備等;在破碎機旁還裝有端子箱和按鈕操控柜。
注意事項
1、給料粒度配比恰當
2、主動操控設備;
3、破碎機排料去通
4、針對所破碎的物料正確的挑選破碎腔
5、在破碎腔360°范圍內給料散布均勻
6、輸送帶的規格與破碎機的最大出力能力相適應;
7、恰當的挑選預先篩分和閉路篩分的篩子規格。
替換方便
以往破碎機替換破碎壁十分慢,圓錐破碎機新結構替換破碎壁十分快。因為上破碎壁上裝有卡梢,用螺栓頂起就把破碎壁固定.下破碎壁固定是用液壓螺母緊固.上、下破碎壁反面不需要加任何填充材料,所以替換快速方面,減少了工人勞動強度;
調理開口
該機選用了耐高壓的位移傳感器,調整排礦口方位時是在操作室進行的。只需一按鍵,在操作臺上就有顯示,就能夠看到所需要調整的排礦口大小,十分方便準確。
該機工作時,電機經過液力偶合器、小圓錐齒輪驅動偏疼套底部的大圓錐齒輪,使偏疼套旋轉,致使錐體作旋擺動而破碎物料。破碎機的主軸是不動的,只是支撣球面瓦,承受破碎力。因為破碎機主軸不動而偏疼套傳遞破碎力,故該結構可承受較大破碎力,對細碎和超細破碎十分適應,因為超細破碎的破碎力是十分大的。估計其產品粒度(關于超細碎型襯板)開路時一5m二可達50^80%(視物料性質而有所差異)。該破碎機適用于金屬礦山選礦廠第三段破碎,或第四段破碎;適用于建材或非金屬礦山及土木工程。特別是土木工程所需的天然砂供給缺乏的區域。
手機版|
關注公眾號|

下載手機APP

